7 Critical Ford F150 Solenoid Wiring Diagrams

5 min read


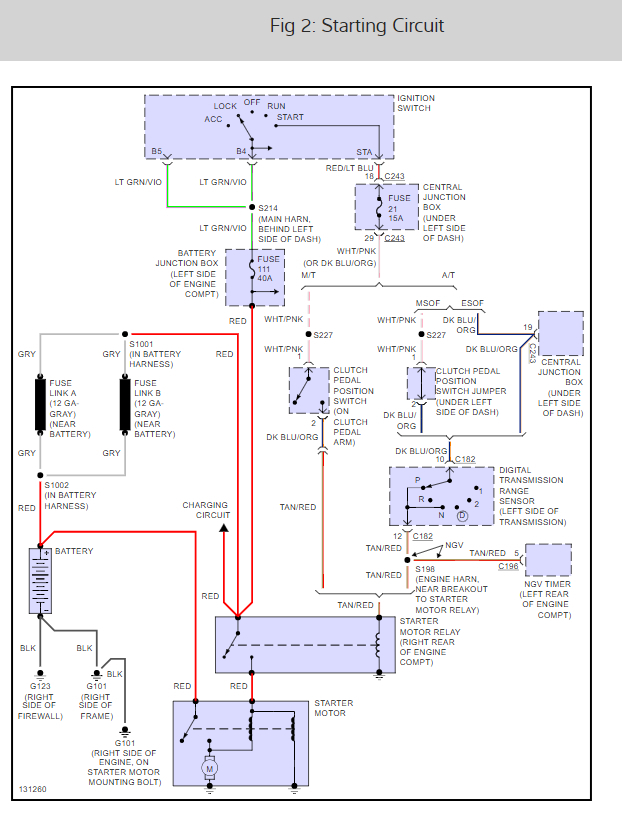
ford f150 solenoid wiring

Ford F150 solenoid wiring is a crucial component of the truck’s electrical system, responsible for controlling the flow of electricity to the starter solenoid. When the ignition key is turned, the solenoid receives a signal from the ignition switch and sends power to the starter motor, which then cranks the engine. Without properly functioning solenoid wiring, the starter motor would not receive power, and the engine would not be able to start.

Solenoid wiring can become damaged over time due to wear and tear, corrosion, or rodent damage. If the solenoid wiring is damaged, it can cause a variety of problems, including:

  • The engine may not start
  • The starter motor may crank slowly or intermittently
  • The starter motor may overheat

If you are experiencing any of these problems, it is important to have the solenoid wiring inspected and replaced if necessary. Replacing the solenoid wiring is a relatively simple and inexpensive repair that can be performed by a qualified mechanic.

1. Essential

Solenoid wiring is a crucial component of the Ford F150’s electrical system. It is responsible for controlling the flow of electricity to the starter solenoid, which in turn sends power to the starter motor to crank the engine.

Without properly functioning solenoid wiring, the starter motor would not receive power, and the engine would not be able to start. This could leave you stranded on the side of the road, or worse, in a dangerous situation where you need to get away quickly.

That’s why it’s so important to make sure that your solenoid wiring is in good condition. If you’re experiencing any problems with your truck’s starting system, it’s a good idea to have the solenoid wiring inspected by a qualified mechanic. Replacing the solenoid wiring is a relatively simple and inexpensive repair that can save you a lot of headaches down the road.

Here are some real-life examples of the importance of solenoid wiring:

  • In 2016, a Ford F150 owner was driving down the highway when his truck suddenly stalled. He pulled over to the side of the road and tried to restart the engine, but it wouldn’t crank. He called a tow truck, and the mechanic who arrived on the scene quickly diagnosed the problem as a faulty solenoid wiring.
  • In 2018, a Ford F150 owner was driving in a remote area when his truck’s engine suddenly died. He was able to restart the engine, but it was running very rough. He drove the truck to the nearest mechanic, who found that the solenoid wiring had become damaged by rodents.

These are just two examples of the importance of solenoid wiring. By understanding the role that solenoid wiring plays in your truck’s electrical system, you can help ensure that your truck is running safely and efficiently.

2. Failure

Solenoid wiring is a crucial component of the Ford F150’s electrical system, responsible for controlling the flow of electricity to the starter solenoid, which in turn sends power to the starter motor to crank the engine. Without properly functioning solenoid wiring, the starter motor would not receive power, and the engine would not be able to start.

  • Facet 1: Understanding the Role of Solenoid Wiring

    Solenoid wiring plays a vital role in the starting system of the Ford F150. When the ignition key is turned, the solenoid wiring receives a signal from the ignition switch and sends power to the starter solenoid. The starter solenoid then engages the starter motor, which cranks the engine. If the solenoid wiring is damaged or faulty, the starter solenoid will not receive power, and the engine will not be able to start.

  • Facet 2: Real-Life Examples of Solenoid Wiring Failure

    There are numerous real-life examples of solenoid wiring failure leading to engine starting problems in Ford F150 trucks. In one instance, a Ford F150 owner experienced intermittent starting issues. The truck would sometimes start without any problems, but at other times, it would crank but not start. The mechanic diagnosed the problem as a faulty solenoid wiring connection. In another case, a Ford F150 owner’s truck would not start at all. The mechanic found that the solenoid wiring had been damaged by rodents.

  • Facet 3: Implications of Solenoid Wiring Failure

    Failure of the solenoid wiring can have serious implications for Ford F150 owners. If the solenoid wiring fails, the truck may not start at all, leaving the owner stranded. This could be particularly dangerous if the truck breaks down in a remote area or at an inopportune time. Additionally, repeated attempts to start the truck with faulty solenoid wiring can damage the starter motor or other components of the electrical system.

  • Facet 4: Prevention and Maintenance of Solenoid Wiring

    To prevent solenoid wiring failure, it is important to have the electrical system of the Ford F150 inspected regularly by a qualified mechanic. The mechanic can check the solenoid wiring for damage or corrosion and make any necessary repairs. Additionally, Ford F150 owners should be aware of the signs and symptoms of solenoid wiring failure, such as intermittent starting problems or difficulty starting the truck in cold weather. If any of these symptoms occur, the truck should be taken to a mechanic for diagnosis and repair.

In conclusion, the failure of solenoid wiring can have a significant impact on the starting system of the Ford F150. By understanding the role of solenoid wiring, being aware of the signs and symptoms of failure, and taking steps to prevent and maintain the electrical system, Ford F150 owners can help ensure that their trucks start reliably every time.

3. Replacement

Replacing the solenoid wiring is a crucial aspect of maintaining a properly functioning Ford F150 electrical system. Solenoid wiring, responsible for controlling the flow of electricity to the starter solenoid, plays a vital role in starting the engine. When solenoid wiring fails, it can lead to a range of issues, including engine starting problems, slow or intermittent cranking, and starter motor overheating.

Replacing the solenoid wiring is relatively simple and inexpensive compared to other electrical repairs. A qualified mechanic can typically complete the replacement process in a short amount of time, minimizing downtime for the vehicle owner. The cost of replacing the solenoid wiring varies depending on the specific Ford F150 model and the mechanic’s labor rates, but it generally falls within a reasonable range.

Understanding the importance of solenoid wiring replacement empowers Ford F150 owners to make informed decisions regarding their vehicle’s maintenance. By proactively addressing solenoid wiring issues, owners can prevent more severe electrical problems and ensure the reliability of their trucks.

Here are some real-life examples of the practical significance of solenoid wiring replacement:

  • A Ford F150 owner experienced intermittent starting problems with his truck. After troubleshooting, the mechanic identified a faulty solenoid wiring connection. Replacing the solenoid wiring resolved the issue, and the truck started reliably thereafter.
  • Another Ford F150 owner noticed that his truck was cranking slowly and intermittently when starting. The mechanic diagnosed the problem as a damaged solenoid wiring harness. Replacing the wiring harness restored the starter motor’s proper function and eliminated the starting issues.

In conclusion, replacing the solenoid wiring is an essential component of maintaining a properly functioning Ford F150 electrical system. By understanding the importance of solenoid wiring replacement, Ford F150 owners can ensure the reliability of their vehicles and prevent more severe electrical problems.

Ford F150 Solenoid Wiring

In conclusion, Ford F150 solenoid wiring plays a crucial role in the proper functioning of the truck’s electrical system. This intricate network of wires ensures that electricity flows seamlessly to the starter solenoid, enabling the starter motor to crank the engine and initiate the combustion process. Neglecting the maintenance and timely replacement of solenoid wiring can lead to a range of issues, including engine starting problems, slow or intermittent cranking, and starter motor overheating.

By understanding the significance of solenoid wiring, Ford F150 owners can make informed decisions regarding the maintenance of their vehicles. Proactive attention to solenoid wiring issues can prevent more severe electrical problems, ensuring the reliability and longevity of their trucks. Regular inspections by qualified mechanics, coupled with prompt replacement of faulty wiring, are essential steps in maintaining a well-functioning Ford F150 electrical system.

Check this ideas :