Discover the Yaesu MD-100A8X: Enhance Your Ham Radio with Accurate Schematics

3 min read


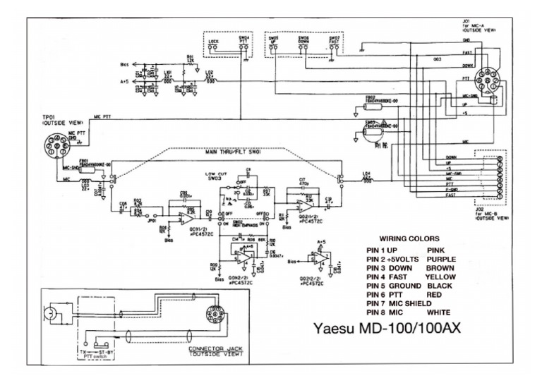
yaesu md 100a8x schematic

A schematic diagram, often known simply as a schematic, is a type of diagram that represents the components of a system and their interconnections. Schematics are often used to represent electrical circuits, but can also be used to represent other types of systems, such as plumbing or computer networks.

Schematics are typically drawn using standardized symbols to represent different types of components and connections. This makes it easy for people who are familiar with the symbols to understand the schematic and to troubleshoot problems with the system.

The Yaesu MD-100A8X is a popular amateur radio transceiver. The schematic diagram for the MD-100A8X is available online and can be used to troubleshoot problems with the radio or to modify it.

1. Components

The schematic diagram of a Yaesu MD-100A8X is a detailed plan of the radio’s electrical circuits. It shows the location and value of all of the components in the radio, including resistors, capacitors, transistors, and integrated circuits. This information is essential for troubleshooting problems with the radio. By understanding the schematic diagram, a technician can identify which components are faulty and replace them.

For example, if a technician is troubleshooting a Yaesu MD-100A8X radio that is not receiving any signals, they can use the schematic diagram to identify the components that are responsible for receiving signals. By testing these components, the technician can determine which one is faulty and replace it.

The schematic diagram is an essential tool for anyone who wants to troubleshoot or repair a Yaesu MD-100A8X radio. By understanding the schematic diagram, a technician can quickly and easily identify the faulty components and replace them, getting the radio back up and running in no time.

2. Connections

The schematic diagram of a Yaesu MD-100A8X is an essential tool for troubleshooting and repairing the radio. The schematic diagram shows how the components are connected to each other, which is essential for understanding how the radio works and for troubleshooting problems.

For example, if a technician is troubleshooting a Yaesu MD-100A8X radio that is not receiving any signals, they can use the schematic diagram to identify the components that are responsible for receiving signals. By testing these components, the technician can determine which one is faulty and replace it.

The schematic diagram is also essential for making modifications to the radio. For example, a technician may want to add an external amplifier to the radio to increase its output power. By using the schematic diagram, the technician can identify the correct points to connect the amplifier.

The connections between the components in a Yaesu MD-100A8X radio are essential for the proper operation of the radio. By understanding the schematic diagram, a technician can troubleshoot problems with the radio and make modifications to it.

3. Layout

The layout of the components in a Yaesu MD-100A8X radio is an important consideration when making repairs or modifications to the radio. The schematic diagram shows the physical layout of the components, which can be helpful for identifying the location of specific components and for understanding how the radio is assembled.

  • Component identification: The schematic diagram can be used to identify the location of specific components in the radio. This is helpful when troubleshooting problems with the radio or when making modifications. For example, if a technician is troubleshooting a Yaesu MD-100A8X radio that is not receiving any signals, they can use the schematic diagram to identify the location of the components that are responsible for receiving signals.
  • Assembly: The schematic diagram can also be used to understand how the radio is assembled. This is helpful when making repairs to the radio or when modifying it. For example, if a technician is replacing a faulty component in a Yaesu MD-100A8X radio, they can use the schematic diagram to see how the component is connected to the other components in the radio.
  • Modifications: The schematic diagram can be used to make modifications to the radio. For example, a technician may want to add an external amplifier to the radio to increase its output power. By using the schematic diagram, the technician can identify the correct points to connect the amplifier.

The layout of the components in a Yaesu MD-100A8X radio is an important consideration when making repairs or modifications to the radio. By understanding the layout of the components, a technician can quickly and easily identify the faulty components and replace them, getting the radio back up and running in no time.

Conclusion

The Yaesu MD-100A8X schematic is a valuable resource for anyone who owns or repairs Yaesu radios. It can be used to troubleshoot problems, make repairs, and modify the radio.

By understanding the schematic diagram, a technician can quickly and easily identify the faulty components and replace them, getting the radio back up and running in no time. The schematic diagram is also essential for making modifications to the radio, such as adding an external amplifier to increase its output power.

Overall, the Yaesu MD-100A8X schematic is an essential tool for anyone who wants to maintain or modify their Yaesu radio.

Check this ideas :