Your Complete Guide to Crown Vic Wiring Diagrams

6 min read


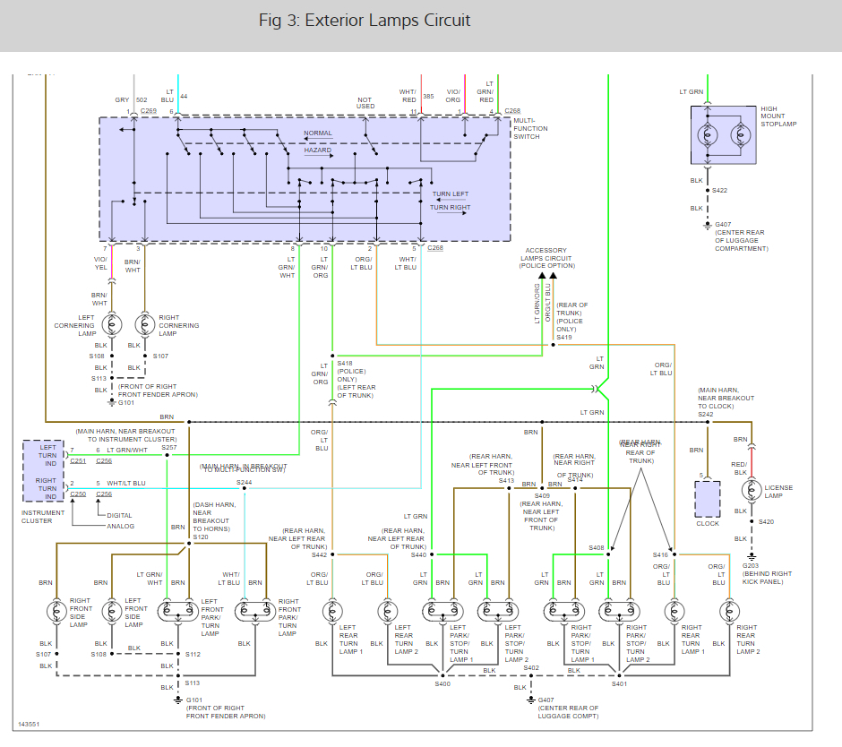
crown vic wiring diagram

Crown Vic Wiring Diagram refers to a comprehensive plan that illustrates the electrical connections within a Ford Crown Victoria vehicle. It serves as a visual guide for technicians and enthusiasts alike, providing insights into the complex network of wires, fuses, relays, and other components that power and control various systems and accessories.

Understanding and utilizing a Crown Vic wiring diagram is crucial for troubleshooting electrical issues, performing repairs or modifications, and ensuring the optimal functioning of the vehicle’s electrical system. It helps identify the location and purpose of each wire, making it easier to trace circuits, diagnose faults, and implement modifications safely and efficiently.

In this article, we will delve into the various aspects of Crown Vic wiring diagrams, including their structure, symbols, and interpretation. We will also discuss the importance of using accurate and up-to-date diagrams to ensure safety and prevent electrical hazards. Furthermore, we will explore the role of wiring diagrams in the broader context of vehicle maintenance, repair, and customization.

1. Comprehensive

The comprehensiveness of Crown Vic wiring diagrams is a crucial aspect that sets them apart and makes them an invaluable tool for understanding and working with the electrical system of a Ford Crown Victoria vehicle. By including all of the electrical components in the vehicle, these diagrams provide a complete picture of the electrical system, allowing users to easily identify and locate specific components, trace circuits, and diagnose faults.

The importance of comprehensive wiring diagrams cannot be overstated, especially when troubleshooting electrical issues or performing repairs or modifications. Having a complete understanding of the electrical system is essential for ensuring that any changes or repairs are made safely and correctly, preventing electrical hazards and ensuring the proper functioning of the vehicle’s electrical system.

In practice, comprehensive wiring diagrams enable technicians and enthusiasts to quickly identify the root cause of electrical problems, saving time and effort in the diagnostic process. They also provide clear instructions for performing repairs or modifications, reducing the risk of errors and ensuring that the work is done correctly.

In summary, the comprehensiveness of Crown Vic wiring diagrams is a key factor that contributes to their usefulness and effectiveness. By providing a complete representation of the vehicle’s electrical system, these diagrams empower users to troubleshoot problems, perform repairs, and make modifications with confidence, ensuring the safe and reliable operation of the vehicle.

2. Accurate

The accuracy of Crown Vic wiring diagrams is of paramount importance for ensuring the safety and reliability of the vehicle’s electrical system. Accurate wiring diagrams provide users with the correct information about the location, purpose, and connections of electrical components, enabling them to perform maintenance, troubleshooting, and repairs safely and effectively.

Using inaccurate or outdated wiring diagrams can lead to a range of electrical hazards, including short circuits, overloads, and even fires. Inaccurate diagrams may provide incorrect information about the location or purpose of wires, fuses, and relays, leading to confusion and potentially dangerous mistakes. Outdated diagrams may not reflect changes made to the electrical system over time, such as the addition of new components or modifications to existing circuits.

For instance, if a technician uses an outdated wiring diagram to troubleshoot an electrical problem, they may not be aware of a recent change to the circuit that could affect their diagnosis. This could lead to incorrect repairs or modifications, potentially creating electrical hazards and compromising the safety of the vehicle.

Therefore, it is crucial to always use accurate and up-to-date Crown Vic wiring diagrams when working on the vehicle’s electrical system. Accurate diagrams ensure that users have the correct information necessary to perform safe and effective maintenance, troubleshooting, and repairs.

3. Detailed

The detailed nature of Crown Vic wiring diagrams is a key factor that contributes to their usefulness and effectiveness. By providing comprehensive information on the location and purpose of each wire, fuse, relay, and other component, these diagrams enable users to gain a deep understanding of the vehicle’s electrical system. This level of detail is essential for accurate troubleshooting, effective repairs, and safe modifications.

For instance, when troubleshooting an electrical problem, a technician can use the wiring diagram to identify the specific circuit that is affected. The diagram will provide information on the location of the wires, fuses, and relays associated with that circuit, allowing the technician to quickly and easily isolate the source of the problem. Similarly, when performing repairs or modifications, the wiring diagram provides clear instructions on how to connect and disconnect components, ensuring that the work is done correctly and safely.

The practical significance of detailed wiring diagrams extends to a wide range of scenarios. For example, they are essential for installing aftermarket accessories, such as audio systems or lighting upgrades. By providing information on the location and purpose of each wire, fuse, and relay, the wiring diagram helps ensure that the accessories are connected correctly and do not interfere with the operation of the vehicle’s electrical system.

In summary, the detailed nature of Crown Vic wiring diagrams is a crucial aspect that makes them an invaluable tool for understanding, troubleshooting, and modifying the electrical system of a Ford Crown Victoria vehicle. By providing comprehensive information on the location and purpose of each component, these diagrams empower users to perform electrical work safely and effectively, ensuring the optimal functioning of the vehicle.

4. Easy to use

The user-friendly nature of Crown Vic wiring diagrams is a key factor that contributes to their widespread adoption and effectiveness. Unlike complex technical documents that require specialized knowledge to decipher, these diagrams are designed to be accessible and easy to understand by anyone with a basic grasp of electrical systems. This accessibility is achieved through the use of clear symbols, standardized conventions, and logical organization.

The simplicity and clarity of Crown Vic wiring diagrams make them an invaluable tool for a wide range of users, including DIY enthusiasts, professional technicians, and even novice car owners. By providing a user-friendly interface, these diagrams empower individuals to troubleshoot electrical problems, perform repairs, and make modifications with confidence, even without extensive electrical expertise.

For instance, a car owner who experiences a minor electrical issue, such as a faulty taillight, can easily consult the wiring diagram to identify the affected circuit and locate the corresponding fuse or relay. This empowers them to perform simple repairs themselves, saving time and money while gaining a sense of accomplishment.

In conclusion, the user-friendly nature of Crown Vic wiring diagrams is a significant advantage that makes them accessible to a wide range of users, from DIY enthusiasts to professional technicians. By providing clear and easy-to-understand information, these diagrams empower individuals to take control of their vehicle’s electrical system, perform basic troubleshooting and repairs, and make modifications with confidence.

5. Essential

Wiring diagrams are an essential tool for understanding and maintaining the electrical system of any vehicle, including the Ford Crown Victoria. They provide a visual representation of the electrical components and their connections, making it possible to troubleshoot problems, perform repairs, and make modifications safely and effectively.

  • Troubleshooting Electrical Problems
    Electrical problems can be difficult to diagnose, especially in complex systems like modern vehicles. Wiring diagrams provide a roadmap of the electrical system, allowing technicians to trace circuits and identify potential . For example, if a Crown Victoria’s headlights are not working, the wiring diagram can help the technician identify the fuse or relay that is responsible, or determine if there is a break in the wiring.
  • Performing Repairs
    Wiring diagrams are also essential for performing repairs to the electrical system. They provide the information needed to locate and replace faulty components, such as fuses, relays, switches, and wiring harnesses. For example, if a Crown Victoria’s power window motor fails, the wiring diagram can help the technician locate the motor and identify the wires that need to be disconnected and reconnected.
  • Making Modifications
    Wiring diagrams are also useful for making modifications to the electrical system, such as installing aftermarket accessories or upgrading the sound system. By understanding the layout of the electrical system, technicians can determine where to connect new components and how to integrate them with the existing system. For example, if a Crown Victoria owner wants to install a new stereo system, the wiring diagram can help them identify the wires that need to be connected to the new head unit and speakers.
  • Ensuring Optimal Functioning
    Regularly consulting the wiring diagram can help ensure that the vehicle’s electrical system is functioning optimally. By understanding the location and purpose of each component, technicians can identify potential before they cause major failures. For example, if a Crown Victoria’s battery is draining prematurely, the wiring diagram can help the technician identify any parasitic drains that may be drawing power from the battery.

In conclusion, wiring diagrams are an essential tool for anyone who wants to understand, troubleshoot, or modify the electrical system of their Crown Victoria. They provide a comprehensive and accurate representation of the electrical system, making it possible to perform a wide range of tasks safely and effectively.

Conclusion

The Crown Vic wiring diagram is an essential tool for understanding, troubleshooting, and modifying the electrical system of a Ford Crown Victoria vehicle. It provides a comprehensive and accurate representation of the electrical components and their connections, making it possible to perform a wide range of tasks safely and effectively.

This article has explored the various aspects of Crown Vic wiring diagrams, including their structure, symbols, and interpretation. We have also discussed the importance of using accurate and up-to-date diagrams to ensure safety and prevent electrical hazards. Furthermore, we have explored the role of wiring diagrams in the broader context of vehicle maintenance, repair, and customization.

In conclusion, Crown Vic wiring diagrams are an essential tool for anyone who wants to understand, troubleshoot, or modify the electrical system of their vehicle. They are comprehensive, accurate, detailed, easy to use, and essential for ensuring the safe and efficient operation of the vehicle’s electrical system.

Check this ideas :